在当今医疗科技不断进步的时代,对于生物电势测量的精度、效率和可靠性的要求日益提高。类比半导体作为国内优秀的模拟及数模混合芯片设计商,重磅推出的四款生物电势测量模拟前端芯片——AFE90x系列、AFE94x系列、AFE95x系列和AFE96x系列,为生物医学领域的监测技术带来了新的突破和发展机遇.
一、AFE90x系列——超低功耗,助力动态心电监测
AFE90x系列芯片专为医疗诊断设备中的动态心电监测与Holter应用量身打造,具有多项显著优势.
多通道灵活配置:提供4、6、8通道三种选择,能够满足不同应用场景下全方位、高密度心电信号采集的需求,为医疗监测提供更全面的数据支持.
超低功耗运行:具备低功耗模式(0.33mW/通道)与超低功耗模式(0.29mW/通道),并支持外部无源晶振,可显著降低穿戴设备的能耗,有效延长电池寿命,提高设备的使用便利性和续航能力.
卓越信号处理能力:输入偏置电流仅为50pA,输入参考噪声低至9μVPP(150Hz BW,G=6),即使在干电极应用下,也能确保生物电势的精确测量,为医生提供准确可靠的诊断依据.
多种数据传输速率与高共模抑制:数据速率范围为62.5SPS至8kSPS,共模抑制比达到-105dB,在保证数据传输效率的同时,有效抑制共模干扰信号,确保监测数据的稳定性和准确性.
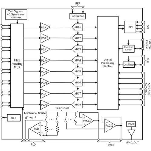
全面合规与高级功能集成:该系列芯片支持包括AAMI EC11、EC13在内的多项国际医疗设备标准,内置右腿驱动放大器(RLD)、导联状态检测、威尔逊中心终端(WCT)、起搏检测(PACE)、测试信号等丰富功能,还配备电压数模转换器(VDAC)、交流导联脱落激励源、数字软件起搏检测等高级特性,为医疗设备提供了更强大的功能支持.
优化系统设计:支持单极或双极电源配置,内置振荡器与高精度基准,采用SPI™-兼容串行接口实现菊花链连接,并提供QFP64(10mm X 10mm)与BGA64(8mm X 8mm)两种封装选项,便于系统集成与小型化设计,有利于医疗设备的小型化和便携化发展.
二、AFE94x系列——多功能集成,满足多种医疗需求
AFE94x系列包含AFE944/946/948/949四个型号,可提供4通道、6通道、8通道集成的模拟前端功能,为医疗监测设备提供了高度集成且灵活的解决方案.
出色的性能指标:输入参考噪声低至4.9μVPP(150Hz BW,G=6),数据速率为125SPS至64kSPS,共模抑制比达-120dB,可编程增益包括1/2/3/4/6/8/12/24等多种选择,能够满足不同生物电势信号测量的精度和范围要求.
丰富的功能模块:支持满足AAMI EC11、EC13、IEC60601-1、IEC60601-2-27、IEC60601-2-51标准的系统;内置右腿驱动放大器RLD、导联脱落和开启检测Lead On/Off、威尔逊中心终端WCT、起搏检测PACE、测试信号等;还具备内置电压数模转换器VDAC、AC交流导联脱落激励源、数字软件起搏检测功能等。这些功能的集成,大大简化了医疗设备的电路设计,提高了系统的可靠性和稳定性.
灵活的接口与封装:拥有SPI™-兼容串行接口和菊花链功能,封装为QFP64 10mm X 10mm和BGA64 8mm X 8mm,方便与其他芯片或系统进行连接和集成,适应不同的应用场景和设备需求.
三、AFE95x系列——高精度测量,提升呼吸心电监护性能
AFE95x系列芯片同样包含AFE954/956/958/959四个型号,针对医疗诊断设备提供4通道、6通道、8通道集成的模拟前端功能,尤其在呼吸心电监护方面表现出色.
高精度信号采集:输入参考噪声为4μVPP(150Hz BW,G=6),数据速率为125SPS至64kSPS,共模抑制比为-120dB,可编程增益为1/2/3/4/6/8/12/24,能够精准地采集微弱的生物电势信号,为医疗诊断提供更准确的数据支持.
支持呼吸阻抗测量:该系列芯片的一大特色是支持呼吸阻抗测量,其呼吸阻抗测量激励有32KHz,43KHz,64KHz可选,呼吸通道采样率还可独立配置,为病人呼吸心电监护提供了更全面、更精准的监测手段,有助于医生更及时地发现患者的呼吸异常情况.
完善的功能与兼容性:支持符合AAMI EC11、EC13、IEC60601-1、IEC60601-2-27、IEC60601-2-51标准的系统;内置右腿驱动放大器RLD、导联脱落和开启检测Lead On/Off、威尔逊中心终端WCT、起搏检测PACE、测试信号等;还具备内置电压数模转换器VDAC、AC交流导联脱落激励源、数字软件起搏检测功能等。此外,其SPI-兼容串行接口和菊花链功能,以及BGA64 8mm*8mm的封装,确保了芯片的兼容性和易用性,方便客户在现有设计基础上进行升级和扩展.
四、AFE96x系列——高集成度与高性能,适用于多种生物电势测量
AFE96x系列的AFE964、AFE966和AFE968器件是一系列四通道、六通道和八通道低噪声、24位同步采样Δ-Σ模数转换器(ADC)系列产品,具有高集成度和高性能的特点.
优异的性能参数:输入参考噪声为1.6µVPP,输入偏置电流为300pA,数据速率为125SPS至32KSPS,共模抑制比为-130dB,可编程增益为1、2、4、6、8、12、24或48,能够满足各种生物电势测量对精度和速度的要求.
丰富的内部资源与功能:内置可编程增益放大器(PGA)、三种可配置内部基准以及板载振荡器;每条通道配有灵活的输入多路复用器,可与内部生成的信号独立相连,完成测试、温度和导联断开检测等;还支持以125SPS至32kSPS的数据传输速率运行,并增加了AC激励源和VDAC激励源,为生物电势测量提供了更丰富的功能和更灵活的配置选项.
良好的接口与适应性:具备SPI兼容串行接口和菊花链功能,工作温度范围为-40°C至+85°C,封装形式为QFP64,BGA64,能够适应不同的工作环境和系统要求,方便与其他设备进行集成和协同工作.
五、四款芯片的意义与影响
类比半导体此次发布的四款生物电势测量模拟前端芯片,具有重要的意义和广泛的影响。首先,它们为医疗设备制造商提供了更丰富的选择,能够满足不同类型、不同档次医疗设备对生物电势测量的需求,有助于推动国产医疗设备的升级和创新,提高国内医疗设备的整体水平和市场竞争力.其次,这些芯片的高性能和低功耗特点,使其特别适用于可穿戴医疗设备和便携式医疗监测设备的开发,将为远程医疗、移动医疗等新兴医疗模式的发展提供有力支持,使患者能够更方便地进行自我健康监测和疾病管理.此外,类比半导体作为国内芯片设计企业的代表,其在生物电势测量模拟前端芯片领域的技术突破,也将有助于提升我国在半导体芯片领域的自主创新能力和核心竞争力,打破国外芯片在高端医疗设备市场的垄断地位,为我国生物医学工程技术的发展注入新的动力。
总之,类比半导体发布的这四款生物电势测量模拟前端芯片,凭借其卓越的性能、丰富的功能和良好的兼容性,将在医疗健康领域发挥重要作用,为生物电势测量技术的发展和应用带来新的变革和机遇,有望推动我国医疗监测设备行业迈向一个新的高度。

首页产品中心代理品牌IC学院 IC资讯成功案例常见问题了解海芯微 企业新闻联系我们企业招聘
Copyright © 2005-2010 All rights reserved 深圳市海芯微半导体有限公司 粤ICP备2021124640号CNZZ()
地址:广东省深圳市宝安区西乡街道宝源路宝港中心电话:0755-33561021
传真:0755-85298357邮箱:haixin_IC@163.com技术支持:海芯微半导体
深圳最专业的IC代理商,IC供应商,NXP代理商,TI代理商,MAXIM美信代理商,合泰代理商,英飞凌代理商,赛灵思代理商.你身边最优秀的IC供应商合作伙伴
升邦科技官方微信
扫一扫立即加关注